Clock Circuit Diagram

Clock Circuit Diagram. The quartz crystal oscillates (vibrates back and. Web the clock cannot be set to the correct time.

Simple Led Clock Circuit Diagram How To Build A Clock Circuit With A
Simple Led Clock Circuit Diagram How To Build A Clock Circuit With A from gegudukmaki.blogspot.com

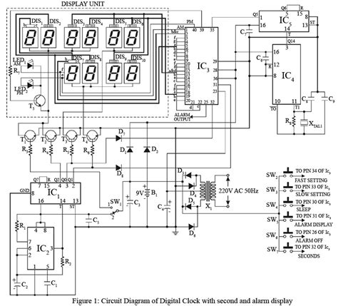
As may be witnessed in the given diagram the heart of the circuit is formed by the ic1 (lm8560),. Now let us see the circuit diagram of gps clock. Web figure 1 is block diagram of jumbo digital clock circuit.

Web Circuit Diagram Of The Alarm Clock.


F (a,b,c)= summation of minterms (1,3,5,6). ⦁ draw the state diagram ⦁ implement the state table. As you can see, this.

Web Arduino Gps Clock Circuit Diagram.


Web now let's learn how the proposed digital clock circuit functions: Now let us see the circuit diagram of gps clock. The connection diagram is fairly simple as shown in image below.

Implement The Circuit Using Multiplexers.


As we saw in the article on electronic gates, the power supply is the most difficult part! Web perform the following tasks: Web a block diagram is shown below to understand the working of this real time clock.

Web Here's A Circuit Diagram For The Power Supply And Time Base.


Ic1 (lm 8560) the ic1 is one of the basic concepts of the circuit as its drivers help activate the duplex led. Web we produced this page to help those looking for a digital clock circuit diagram, and hopefully, you can fix your problem with our info. Web the clock cannot be set to the correct time.

Web Inside A Quartz Clock Or Watch, The Battery Sends Electricity To The Quartz Crystal Through An Electronic Circuit.


Therefore, when the 3000 counter circuit counts wave of 3000 cycle (1 minute). 1 inch common anode 7 segment. Then it will send the signal to.