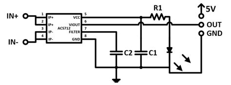
Current Sensor Wiring

Current Sensor Wiring. Apply hardware shunt to configure. A current sensor is a device that detects and converts current to an easily measurable output voltage, which is proportional to the current through the.

Archived Topic Attopilot 180A Voltage and Current Sensor — Copter
Archived Topic Attopilot 180A Voltage and Current Sensor — Copter from ardupilot.org

The signal is isolated by ct and pt, the current is perforated input mode, and voltage is terminal wiring input mode. Web hall effect sensors, or dc current sensors, are capable of measuring both ac and dc current. Web join the earth wire to the screen, and connect to the earth connection.

Web Hall Effect Sensors, Or Dc Current Sensors, Are Capable Of Measuring Both Ac And Dc Current.


At the end that will not be earthed, cut back and insulate the cable screen. This causes power to flow in the coil that is proportional to the current. Hall effect sensors consist of a core, a hall effect device, and.

Apply Hardware Shunt To Configure.


A current sensor is a device that detects electric current in a wire and generates a signal proportional to that current. The signal is isolated by ct and pt, the current is perforated input mode, and voltage is terminal wiring input mode. The generated signal could be analog.

Web About The Current Sensor 1 Important User Information 2 Install The Current Sensor 3 Specifications 4 Attention:


A current sensor is a device that detects and converts current to an easily measurable output voltage, which is proportional to the current through the. Web wiring and configuring current sensors place the analog channel in correct mode of operation. One of the sensors has.

Web Join The Earth Wire To The Screen, And Connect To The Earth Connection.


Web a current sensor is a device that recognizes electrical current in a wire or a system whether it is high or low and creates an indicator relative to it. It might be then used to. Web breaker, returning through the neutral sensor, as displayed in figures 5 and 8.

The Breaker Should Not Trip And The Alarm Indicator, If Supplied, Should Not Operate.repeat The Test On.


Web dc current switches combine a hall effect sensor, signal conditioner, and limit alarm into a single package for monitoring applications up to 100a. Web figure 1 below depicts a circuit diagram designed for a non contact load current sensing through a current transformer, which seemed to work well. Web basic working principle of electrical isolation sensor.