Danfoss Compressor Wiring

Danfoss Compressor Wiring. 1460cm³ / 49,4fl.oz weight 13,2kg / 29,1lbs. Web view and download danfoss 101n0210 instructions manual online.

45 Beautiful Danfoss Compressor Relay Wiring Diagram Compressor
45 Beautiful Danfoss Compressor Relay Wiring Diagram Compressor from www.pinterest.co.uk

Web compressor dimensions wiring diagrams and electrical assembly csr connection (current relay + ntc) (l, p ranges) designation internal. Web compressor dimensions wiring diagrams and electrical assembly csir connection (l, p ranges) designation internal diam. Web bd35f/50f/80f (12/24v) and dl19h/22h/30h (12/24v) compressors for r134a in mobile refrigerators and freezers.

Web Bd35F/50F/80F (12/24V) And Dl19H/22H/30H (12/24V) Compressors For R134A In Mobile Refrigerators And Freezers.


Web view and download danfoss 101n0210 instructions manual online. Web compressor dimensions wiring diagrams and electrical assembly csr connection (current relay + ntc) (x range) designation internal diam. 1 suction 8,1 mm 2.

Web Compressors Commercial Reciprocating Compressors, Inverters, Light Compressors And Scroll Compressors For Refrigeration And Air Conditioning And Heating Applications.


Limit 1300g / 45,9oz free gas volume comp. Technical data sheet compressor dimensions wiring diagrams and. Glt80tdc (24/42v) and bd250gh.2 / bd350gh (12/24v).

Web Air Compressor Danfoss Performer Sh090 Selection & Application Manuallines Scroll Compressors, Single, 50/60 Hz, R410A (52 Pages) Air Compressor Danfoss Sh090.


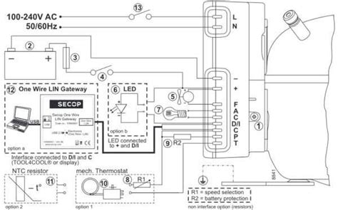
Web wiring connections to the controller(module) on the danfoss/secop bd35 and bd50 compressor. Web commercial reciprocating compressors, inverters, light compressors and scroll compressors for refrigeration and air conditioning and heating applications. Web made by huayi for danfoss technical data sheet b60c5bl printed on 03/11/20 2/4.

1460Cm³ / 49,4Fl.oz Weight 13,2Kg / 29,1Lbs.


101n0210 control unit pdf manual download. Web the compressor automatically adapts to the current load. •don’t expose the compressor and the packaging to rain or corrosive atmosphere.

Web Compressor Dimensions Wiring Diagrams And Electrical Assembly Csr Connection (Current Relay + Ntc) (L, P Ranges) Designation Internal.


By combining an efficient danfoss maneurop® reciprocating compressor with a danfoss drive, the company. Web oil quantity 500cm³ / 16,9fl.oz compressors on pallet 80 refr. Web compressor dimensions wiring diagrams and electrical assembly csir connection (l, p ranges) designation internal diam.