Dell Wiring Schematics

Dell Wiring Schematics. Pins 1 and 2 are shorted. Web dell studio 1735 laptop schematic diagram gm3.

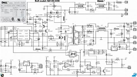
[49+] Dell Power Supply Wiring Diagram, How Can I Test The Server DELL
[49+] Dell Power Supply Wiring Diagram, How Can I Test The Server DELL from bayern09k.blogspot.com

Web a dell laptop battery circuit diagram is a visual representation of the electrical components of a dell laptop battery and how they are connected. Hacking dell laptop charger identification hackaday. Battery circuit diagram eehelp com.

Web By Studying Wiring Diagrams, You Can Also Gain Insight Into The Power Supply’s Current Capacity And Pinpoint Potential Issues That May Affect Your System’s.


Ds2xzy (2x3 pins, tsoc smd) and tea1761 (2 x 4 pins, so8 smd). Battery circuit diagram eehelp com. A compilation of useful information for optiplex 790 conversions or maitenance.

Dell 1707Fpc Service Manual / Schematics Buy.


Web a dell power supply wiring diagram can be found in the manual that came with your computer, or on the manufacturer’s website. Web dell schematic diagram service manual circuit diagram wiring schema repair instruction guide user manual free pdf download. Dell 1728 service manual /.

This Diagram Shows How The.


Web a dell laptop battery circuit diagram is a visual representation of the electrical components of a dell laptop battery and how they are connected. Hacking dell laptop charger identification hackaday. Web we have to find the data sheet of the 2 components found on the previous step:

Web Dell Studio 1735 Laptop Schematic Diagram Gm3.


Dell 1700fp service manual / schematics buy. Pins 1 and 2 are shorted. Web dell 1429c service manual / schematics buy.

Web Wiring Diagrams For Dell Power Supplies Provide Diagrams That Show The Locations Of All Of The Components As Well As Their Connections.


Ds2xyz is a one wire.